
Fuel pressure regulators are used to maintain constant fuel pressure at the injection valves.
This regulator based on a production type regulator was specially designed for motorsport applications.
The main benefit of this regulator is the adjustability of the fuel pressure.
- Downloads
- Features
- Application
- Technical Specifications
- Installation Notes
- Ordering Information
- Dimensions
- Legal Restrictions
Downloads
Features
- 2.2 to 3.5 bar/3.5 to 5 bar
- 15 to 220 l/h reflow
- Pressure adjustable
- Sheet steel housing
Application
|
Pressure range |
2.2 to 3.5 bar 3.5 to 5.0 bar |
|
Reflow quantity |
15 to 220 l/h |
|
Reference pressure connector |
Diam. 5 mm, tube connector |
|
Fuel compatibility |
Gasoline, E85, M15 |
|
Operating temperature |
-40 to 120°C |
|
Storage temperature |
-40 to 100°C |
|
Max. vibration |
<400 m/s² at 5 to 250 Hz |
|
Valve leakage |
Qleck [cm3/min] ≤ 9 (pneumatic) at p [kPa] = 0.8 x Pnom |
Technical Specifications
Mechanical Data
|
Diameter |
34.9 mm |
|
Weight |
58 g |
|
Mounting |
Fastening with a clip |
Connectors and Wires
|
Connector supply |
Diam. 25 mm, O-ring |
|
Connector reflow |
Diam. 9.15 mm, O-ring |
Installation Notes
|
The tube connector at the housing can be used to supply reference pressure to the regulator. This can be atmospheric pressure, air box pressure or manifold pressure. |
|
Never run the regulator without the integrated filter. |
|
Please oil O-rings lightly with clean and silicone free engine oil before you install the regulator. |
|
Please make a leak test after you have installed the regulator. |
|
When the pressure regulator is removed and will be reused, the O-rings must be tested for fractures. |
|
Operation of the pressure regulator with a medium other than gasoline is not allowed. |
|
This pressure regulator is not designed for in-tank mounting. |
Ordering Information
Fuel Pressure Regulator Mini A
Pressure Range 2.2 to 3.5 bar
Order number: B280.550.340-03
Fuel Pressure Regulator Mini A
Pressure Range 3.5 to 5.0 bar
Order number: B280.550.341-05
FPR Adaptor light
Order number: F02U.V02.248-01
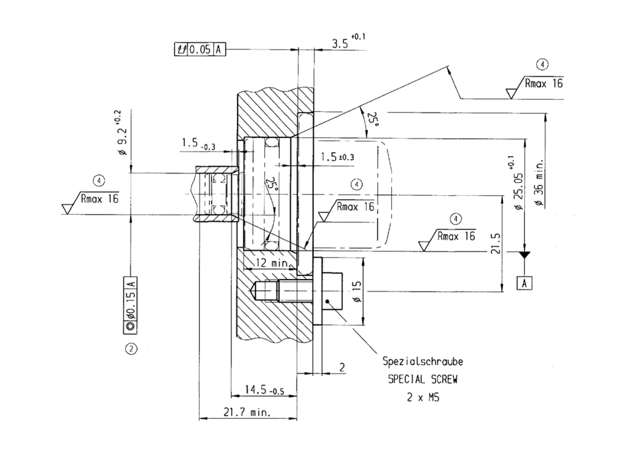
Dimensions


Legal Restrictions
Generally blocked are direct and indirect business involving high risk destinations, including Russia, Belarus, Cuba, Iran, North Korea, Syria, Libya, Afghanistan, and certain non-governmental controlled Ukrainian regions. This list may change as geopolitics evolve.
