Skip to main content

Temperature Sensor NTC M5-HS

Temperature Sensor NTC M5-HS

This sensor is designed to measure temperatures up to 300°C of oil, water, fuel or air. This signal is used as a control value for engine control units or as a measurement value which is logged in a data acquisition system.

The NTC-sensing element has a negative temperature coefficient. This means, that with increasing temperature the conductivity rises and the resistance decreases. To improve a good protection against the ambient temperature, the housing is made of stainless steel and partly filled with an isolation-paste.

The main benefit of the sensor is a very compact design and its very short response time.

Product Highlights

Features

  • Application: -55 to 300°C
  • Accuracy at 25°C: ± 0.3°C
  • Accuracy at 100°C: ± 1.3°C
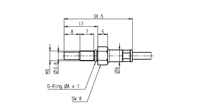
  • Male thread: M5
  • Nominal resistance: 10 kOhm ± 1 % (at 25°C)

Downloads

Product Details

Application
-55 to 300°C
Application
Storage temperature range
-55 to 300°C
0 to 100°C
Application
Bio fuel compatibility
-55 to 300°C
-
Mechanical Data
Mechanical Data
Male thread
M5
Mechanical Data
Wrench size
8 mm
Mechanical Data
Installation torque
8 Nm
Mechanical Data
Weight w/o wire
6 g
Mechanical Data
Sealing
O-Ring 4 x 1 mm
Electrical Data
Electrical Data
Characteristic
NTC
Electrical Data
Nominal resistance at 25°C
10 kOhm ± 1 %
Characteristic
Characteristic
Accuracy at 25°C (homogeneous cond.)
± 0.3°C
Characteristic
Accuracy at 100°C (homogeneous cond.)
± 1.3°C
Characteristic
Response time tau 63 in still water
< 4 s
Characteristic Application
Characteristic Application
T [°C]
R [Ohm]
Characteristic Application
-55
519,910
Characteristic Application
-35
158,090
Characteristic Application
-20
71,668
Characteristic Application
-10
44,087
Characteristic Application
0
27,936
Characteristic Application
10
18,187
Characteristic Application
20
12,136
Characteristic Application
25
10,000
Characteristic Application
30
8,284
Characteristic Application
40
5,774
Characteristic Application
50
4,103
Characteristic Application
60
2,967
Characteristic Application
70
2,182
Characteristic Application
80
1,629
Characteristic Application
90
1,234
Characteristic Application
100
946.6
Characteristic Application
120
578.1
Characteristic Application
140
368.8
Characteristic Application
160
244.4
Characteristic Application
180
167.6
Characteristic Application
200
118.5
Characteristic Application
220
86.08
Characteristic Application
240
64.08
Characteristic Application
260
48.76
Characteristic Application
280
37.86
Characteristic Application
300
29.94
.
Connectors and Wires
Connectors and Wires
Connector
ASL606-05PN-HE
Connectors and Wires
Mating connector
ASL006-05SN-HE
F02U.000.231-01
Connectors and Wires
Pin 1
-
Connectors and Wires
Pin 2
Sig-
Connectors and Wires
Pin 3
Sig+
Connectors and Wires
Pin 4
-
Connectors and Wires
Pin 5
-
Connectors and Wires
Various motorsport and automotive connectors are available on request.
Connectors and Wires
Wire size
AWG 24
Connectors and Wires
Wire length L
15 to 50 cm
Connectors and Wires
Please specify the required wire length with your order.
.

Further Information

The NTC M5-HS can be connected directly to most control units using a pull-up resistance (typically 1 or 3 kOhm) .
The NTC M5-HS can be connected directly to most control units using a pull-up resistance (typically 1 or 3 kOhm) .
Any mounting orientation is possible.
The NTC M5-HS can be connected directly to most control units using a pull-up resistance (typically 1 or 3 kOhm) .
Please find further application hints in the offer drawing at our homepage.
The NTC M5-HS can be connected directly to most control units using a pull-up resistance (typically 1 or 3 kOhm) .
Free download of the sensor configuration file (*.sdf) for the Bosch Data Logging System at our homepage.
Safety Note
Safety Note
The sensor is not intended to be used for safety related applications without appropriate measures for signal validation in the application system.

Temperature Sensor NTC M5-HS

Order number: F02U.V00.510-01

Generally blocked are direct and indirect business involving high risk destinations, including Russia, Belarus, Cuba, Iran, North Korea, Syria, Libya, Afghanistan, and certain non-governmental controlled Ukrainian regions. This list may change as geopolitics evolve.