Skip to main content

Steering Wheel Angle Sensor LWS

Steering Wheel Angle Sensor LWS

This sensor is designed to measure rotational movement and angular speed, e.g. steering wheel angle and steering wheel speed.

In order to achieve this, the sensor is using the giant magneto resistive (GMR) effect. The detection of the absolute angle is realized by means of toothed measuring gears with different ratio including small magnets. Corresponding GMR elements that change their electrical resistance according to the magnetic field direction detects the angle position of the measuring gears.

The measured voltages are A/D converted and a microcontroller performs the angle calculations. The steering angle and the steering angle speed are provided on a CAN-interface.

Product Highlights

Features

  • Steering Wheel Angle: ± 780°
  • Angular Speed: 0 to 1,016°/s
  • 500 kbaud CAN-output

Downloads

Product Details

Steering wheel angle
± 780°
Steering wheel angle
Angular speed
± 780°
0 to 1,016°/s
Steering wheel angle
Operating temperature range
± 780°
-40 to 85°C
Mechanical Data
Mechanical Data
Weight
Approx. 34 g
Mechanical Data
Size
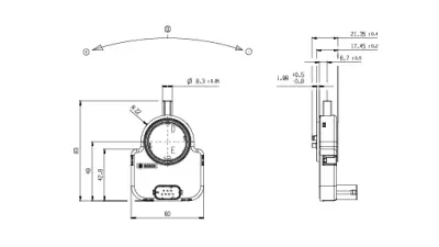
83 x 60 x 21.35 mm
Mechanical Data
Protection class
IP5K0
Electrical Data
Electrical Data
Power supply
7 to 16 V
Electrical Data
Max input current
< 150 mA
Electrical Data
CAN speed
500 kbaud
CAN Message
CAN Message
CAN ID 01 0x2B0 LWS_Standard
CAN Message
Byte
Value / Bit
CAN Message
7/6/5/4/3
2
1
0
CAN Message
0
LWS_ANGLE
CAN Message
1
LWS_ANGLE
CAN Message
2
LWS_SPEED
CAN Message
3
Reserved
TRIM
CAL
OK
CAN Message
4
Reserved
CAN Message
CAN ID 02 0x7C0 LWS_Config
CAN Message
Byte
Value / Bit
CAN Message
7/6/5/4/3
2
1
0
CAN Message
0
Reserved
CCW
CAN Message
1
Reserved
Truth Table
Truth Table
TRIM
OK
CAL
ANGLE
SPEED
Sensor state
Truth Table
1
1
1
Value
Value
Sensor is calibrated and sensor information is valid.
Truth Table
1
1
0
7FFFh
Value
Sensor is not calibrated, speed information is valid.
Truth Table
1
0
0
7FFFh
FFh
Sensor is in failure mode, sensor information is not valid.
Truth Table
0
0
0
7FFFh
FFH
Sensor is in failure mode, sensor information is not valid.
Other combinations for TRIM, OK and CAL are not valid.
Signal Overview
Signal Overview
OK
Failure status
Signal Overview
1
Sensor information valid
Signal Overview
0
Sensor information invalid, an internal sensor fault occurred
CAL
Calibration status
CAL
1
Calibration status
Sensor calibrated
CAL
0
Calibration status
Sensor not calibrated
TRIM
Trimming Status
TRIM
1
Trimming Status
Sensor trimmed
TRIM
0
Trimming Status
Sensor not trimmed, this is handled as a sensor failure (OK = 0)
CCW
Command code word
CCW
3h
Command code word
Sets the signal LWS_Angle to 0°
CCW
5h
Command code word
Resets the calibration status of the angle
Characteristics
Characteristics
Steering Wheel Angle
Characteristics
Measuring range
± 780°
Characteristics
Absolute physical resolution
0.1°
Characteristics
Nonlinearity
± 2.5°
Characteristics
Hysteresis
0 to 5°
Characteristics
Angular Speed
Characteristics
Measuring range
0 to 1,016°/s
Characteristics
Over range limit
± 2,500°/s
Characteristics
Absolute physical resolution
4°/s
Connectors and Wires
Connectors and Wires
Connector
Bosch 7 pole
Connectors and Wires
Mating connector
F02U.B00.656-01
Connectors and Wires
Pin 1
Gnd
Connectors and Wires
Pin 2
12 V
Connectors and Wires
Pin 3
CAN High
Connectors and Wires
Pin 4
CAN Low
Connectors and Wires
Pin 5
Not connected
Connectors and Wires
Pin 6
Not connected
Connectors and Wires
Pin 7
Not connected
CAN Parameters
CAN Parameters
Byte order
LSB (Intel)
CAN Parameters
CAN speed
500 kbaud
CAN Parameters
CAN update rate
100 Hz / 10 ms
Housing Size

Further Information

The LWS can be connected directly to most control units and data logger systems via CAN bus.
The LWS can be connected directly to most control units and data logger systems via CAN bus.
Please avoid abrupt temperature changes.
The LWS can be connected directly to most control units and data logger systems via CAN bus.
Please ensure that the environmental conditions do not exceed the sensor specifications.
The LWS can be connected directly to most control units and data logger systems via CAN bus.
Please find further application hints in the offer drawing.
The LWS can be connected directly to most control units and data logger systems via CAN bus.
A zero adjustment is needed before using the sensor for the first time. To do so, reset the calibration with CCW = 5h. After resetting the calibration, a new calibration needs to be started with CCW = 3h. The sensor is now newly calibrated and can be used immediately.
The LWS can be connected directly to most control units and data logger systems via CAN bus.
Zero the sensor after every assembly.

Safety Note

The sensor is not intended to be used for safety related applications without appropriate measures for signal validation in the application system.

Steering Wheel Angle Sensor LWS
Order number: F02U.V02.894-01

Generally blocked are direct and indirect business involving high risk destinations, including Russia, Belarus, Cuba, Iran, North Korea, Syria, Libya, Afghanistan, and certain non-governmental controlled Ukrainian regions. This list may change as geopolitics evolve.