
The single fire coil P50 is a low cost concept designed for direct mounting to the cylinder head. A high voltage ignition wire can optionally be connected to the secondary output terminal.
The coil P50 requires an ECU with internal ignition power stages for each single fire coil.
The coil P50-M is specifically for motorsport applications. This coil is operable in higher vibration environments.
- Downloads
- Features
- Application
- Technical Specifications
- Installation Notes
- Ordering Information
- Dimensions
- Legal Restrictions
Downloads
Features
- Max. 35 kV
- Min. 50 mJ
- Max. 3.0 kV/µs
- Max. 10,000 1/min
- High voltage contacting via high voltage wire and spark plug connector possible
Application
Spark energy | ≥ 50 mJ |
Primary current | ≤ 8.5 A |
Operating temperature range at outer core | -20 to 140°C |
Storage temperature range | -40 to 100°C |
Max. vibration | Please see Variations |
Technical Specifications
Variations
| P50 | P50-M |
Max. vibration | ≤ 400 m/s2 at 5 to 2,000 Hz | ≤ 800 m/s2 at 5 to 2,000 Hz |
Weight | 223 g | 265 g |
Spark plug connector | - | + |
Mechanical Data
Weight | Please see Variations |
Mounting | Pluggable |
Electrical Data
Primary resistance with wire | 370 mOhm |
Secondary resistance | Incapable of measurement |
High voltage rise time | ≤ 3.0 kV/µs |
Max. high voltage at | ≤ 35 kV |
Spark current | ≤ 92 mA |
Spark duration at 1 kV || 1 MOhm | ≤ 1.15 ms |
Noise suppression | With spark plug connector |
Suppression diode / EFU | Integrated |
Characteristic
Measured with power stage | IGBT IRG4BC40S (Uce=600 V) |
Connectors and Wires
Connector | Bosch Compact |
Mating connector | D261.205.335-01 |
Pin 1 | ECU ignition power stage |
Pin 2 | Engine GND |
Pin 3 | Ubatt |
Various motorsport and automotive connectors are available on request. | |
For spark plugs | Ceramic diameter d=10 mm |
Characteristic dwell times [ms]
U batt | I primary | ||||||
| 5.0 A | 6.0 A | 7.0 A | 8.0 A | 9.0 A | 10 A | |
6 V | 3.84 | 4.93 | 6.2 | 7.7 | 9.5 | 11.2 | |
8 V | 2.54 | 3.14 | 3.81 | 4.51 | 5.17 | 5.61 | |
10 V | 1.9 | 2.33 | 2.76 | 3.21 | 3.62 | 3.87 | |
12 V | 1.51 | 1.84 | 2.17 | 2.51 | 2.8 | 2.97 | |
14 V | 1.26 | 1.52 | 1.79 | 2.06 | 2.29 | 2.42 | |
16 V | 1.07 | 1.3 | 1.53 | 1.74 | 1.93 | 2.04 | |
18 V | 0.94 | 1.13 | 1.32 | 1.51 | 1.67 | 1.77 | |
24 V | 0.68 | 0.81 | 0.95 | 1.08 | 1.19 | 1.26 | |
30 V | 0.53 | 0.63 | 0.74 | 0.84 | 0.93 | 0.98 | |
Measured values are without loom resistance. Loom resistance must be less than the primary resistance. The needed dwell time is to be verified through current measurement | |||||||

Spark energy and provided high voltage
I prim. | Spark energy | -duration | -current | Hi voltage |
5 A | 22 mJ | 0.82 ms | 60 mA | 26.8 kV |
6 A | 29.7 mJ | 0.93 ms | 68.5 mA | 31.6 kV |
7 A | 37.5 mJ | 1.03 ms | 77 mA | 36.4 kV |
8 A | 46.3 mJ | 1.12 ms | 87.5 mA | 40.9 kV |
9 A | 53 mJ | 1.17 ms | 97 mA | 44.4 kV |
10 A | 58.4 mJ | 1.21 ms | 105 mA | 46.3 kV |

Installation Notes
|
During mounting of the spark plug please pay attention that full clamping and proper contacts are made to ensure safe connection between coil and spark plug. |
|
The coil P50 has no integrated transistor and requires an ECU with internal ignition power stages, e.g. IGBT IRG4BC40S or BIP. |
|
For technical reasons the values of the coils may vary. |
|
Please regard the specified limit values. |
|
Usage above Iprim > 8.5 A or 35 kV may reduce the lifetime. |
|
Please find further application hints in the offer drawing at our homepage. |
|
In case of ignition-caused malfunctions, please use screened sensor wires. |
Design Note
We strongly recommend the design of the spark plug shaft has to ensure that there are no sharp edges in the shaft geometry due to design or machining. Only in compliance with this recommendation, a proper function can be ensured. |
Ordering Information
Ignition Coil P50
Order number: 0221.504.001
Ignition Coil P50-M
Motorsport version
Order number: F02U.V00.869-01
Accessories
Accessory spark plug connector
Order number: 1354.489.085
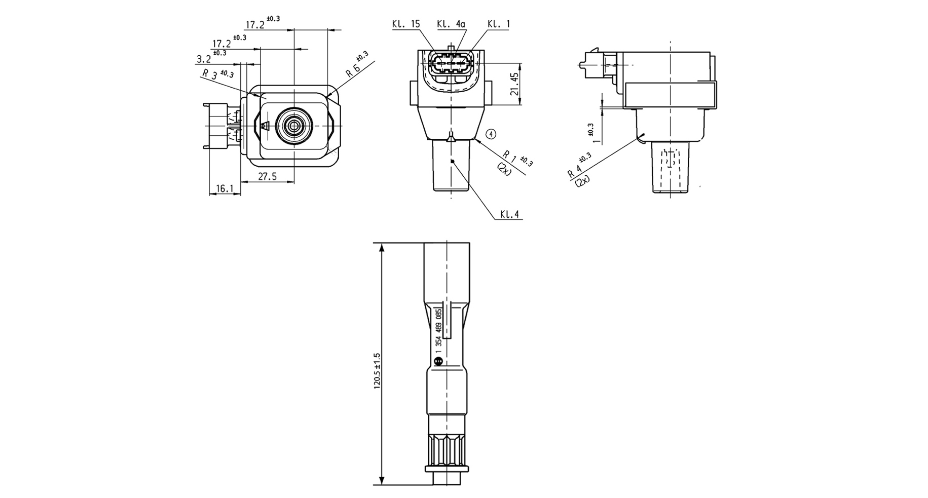
Dimensions

Legal Restrictions
Due to embargo restrictions, sale of this product in Russia, Belarus, Iran, Syria, and North Korea is prohibited.
