Skip to main content

Collision Avoidance System CAS-M 3 EVO

Collision Avoidance System CAS-M 3 EVO

The Collision Avoidance System-Motorsport 3 EVO (CAS-M 3 EVO) features a high-performance Bosch Motorsport Display Unit for fast video processing (right in the picture), and a Rear Module, composed from a Bosch mid-range radar sensor for a wider field of view in close-up range and a fast response high definition camera (left in the picture).

The CAS-M 3 EVO system provides real time visualization and warns the driver about approaching or overtaking cars via intuitive marking of the cars on the display. It helps prevent the most common collisions and allows drivers to focus on the race. With a momentary glance, the driver can tell how many cars are following and their classification depending on distance and relative speed. The radar tracks up to 40 objects and marks up to four objects on the display. In addition, bright flashing LEDs alert the driver when any car attempts a passing maneuver. All of these features work at night or in the rain when visibility is typically poor. Furthermore, the real time gap of a marked object is measured and can be provided over CAN or Ethernet.

The CAS-M 3 EVO system is fully integrated in the Bosch Motorsport Tool environment and can be configured with RaceCon.

Product Highlights

Features

  • Approaching vehicle tracking
  • Left/right passing alerts
  • Improves visibility of objects in rain, mist or darkness
  • Full Bosch Motorsport tool integration

Downloads

Link to the up-to-date EU Declaration of Confirmity DoC:
http://eu-doc.bosch.com
(Please enter the model MRRe14HBW on which CAS-M sensors are based on to find the correct DoC in the database.)


Literature


Software

Product Details

Range
95 m
Range
Horizontal field of view
95 m
Range
Radar
95 m
85° from 0 to 29 m
70° from 29 to 46 m
50° from 46 to 73 m
42° from 73 to 78 m
20° from 78 to 95 m
Range
Camera
95 m
78°
Range
Number of tracked objects
95 m
Max. 40
Range
Number of displayed classified objects
95 m
Max. 4
Range
Display format
95 m
7’’
Range
Display resolution
95 m
800 x 480 pixel
Range
User configurable CAN in/out messages
95 m
Range
User configurable LEDs
95 m
Mechanical Data
Mechanical Data
Display Unit
Mechanical Data
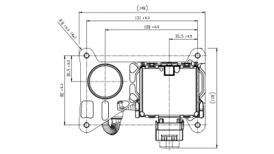
Size
198 x 134 x 35 mm
Mechanical Data
Weight
830 g
Mechanical Data
Protection Classification
IP67
Mechanical Data
Operating temperature internal
-20 to 85°C
Mechanical Data
Max. vibration
Vibration profile 1 (see Downloads or www.bosch-motorsport.com)
Mechanical Data
Rear Module
Mechanical Data
Size
120 x 150 x 115 mm
Mechanical Data
Weight
880 g
Mechanical Data
Protection classification
IP67
Mechanical Data
Operating temperature
0 to 70°C (rearview camera internal temperature*)
Mechanical Data
Max. vibration
Vibration profile 1
*If the temperature limit is reached, forced air cooling of the camera is recommended.
Electrical Data
Electrical Data
Supply voltage (Display and Rear Unit)
6 to 18 V
Electrical Data
Current consumption
Electrical Data
Display Unit
2 A (at 12 V)
Electrical Data
Rear Module
0.7 A (at 12 V)

Communication

Display Unit
Display Unit
CAN
1x private CAN for radar,
1x CAN
Display Unit
Ethernet
1x private 1GBase-T Ethernet for camera,
1x 100Base-T Ethernet
Display Unit
Time sync synchronization Ethernet
1
Display Unit
Rear Module
Display Unit
CAN
1x private CAN for radar
Display Unit
Ethernet
1x private 1GBase-T Ethernet for camera
Software Tools (free download)
Software Tools (free download)
Data analysis tool
WinDarab 7 Light
Software Tools (free download)
System configuration tool
RaceCon
Connectors and Wires
Connectors and Wires
Display Unit
Connectors and Wires
Motorsport connector on device
AS212-35PN
Connectors and Wires
Mating connector AS612-35SN
F02U.000.443-01
Connectors and Wires
Rear Module
Connectors and Wires
Motorsport connector on device
AS212-35PN
Connectors and Wires
Mating connector AS612-35SN
F02U.000.443-01
Pin Configuration
Pin Configuration
Display Unit
Rear Module for Vehicle Harness
Pin Configuration
Pin No.
Pin No.
Pin Configuration
1
GigEthernet_TR3_N (private Eth cameraPEC )
14
Pin Configuration
2
GigEthernet_TR3_P (PEC)
1
Pin Configuration
3
GigEthernet_TR2_N (PEC)
2
Pin Configuration
4
GigEthernet_TR2_P (PEC)
3
Pin Configuration
5
GigEthernet_TR1_N (PEC)
4
Pin Configuration
6
GigEthernet_TR1_P (PEC)
5
Pin Configuration
7
GigEthernet_TR0_N (PEC)
6
Pin Configuration
8
GigEthernet_TR0_P (PEC)
7
Pin Configuration
9
Ethernet_TXP
n/a - Connect to Bosch System Ethernet BSE
Pin Configuration
10
Ethernet_RXP
n/a - Connect to BSE
Pin Configuration
11
Ethernet_RXN
n/a - Connect to BSE
Pin Configuration
12
CAN_High_Vehicle
n/a - Connect to Bosch System CAN
Pin Configuration
13
+12 V KL30
n/a - Connect to Vehicle System PowerVSP
Pin Configuration
14
+12 V KL15
n/a - Connect to VSP
Pin Configuration
15
GND KL31
n/a - Connect to VSP
Pin Configuration
16
GND KL31
n/a - Connect to VSP
Pin Configuration
17
Time_Sync
n/a – Connect Display to Bosch Logging System Time Sync
Pin Configuration
18
ETH_Screen
n/a - Connect to BSE
Pin Configuration
19
Ethernet_TXN
n/a - Connect to BSE
Pin Configuration
20
CAN Low Vehicle
n/a - Connect to Bosch System CAN
Pin Configuration
21
CAN High Radar (private CAN radarPCR )
11
Pin Configuration
22
CAN Low Radar (PCR)
12
Rear Module
Display Unit for Vehicle Harness
Rear Module
1
GigEthernet_TR3_P (private Eth camera PEC)
Display Unit for Vehicle Harness
2
Rear Module
2
GigEthernet_TR2_N (PEC)
Display Unit for Vehicle Harness
3
Rear Module
3
GigEthernet_TR2_P (PEC)
Display Unit for Vehicle Harness
4
Rear Module
4
GigEthernet_TR1_N (PEC)
Display Unit for Vehicle Harness
5
Rear Module
5
GigEthernet_TR1_P (PEC)
Display Unit for Vehicle Harness
6
Rear Module
6
GigEthernet_TR0_N (PEC
Display Unit for Vehicle Harness
7
Rear Module
7
GigEthernet_TR0_P (PEC)
Display Unit for Vehicle Harness
8
Rear Module
8
+12 V Ubat
Display Unit for Vehicle Harness
n/a - Connect to VSP
Rear Module
9
+12 V Ubat
Display Unit for Vehicle Harness
n/a - Connect to VSP
Rear Module
10
+12 V Ubat (opt. to display)
Display Unit for Vehicle Harness
13 (opt. if KL30 not connected)
Rear Module
11
CAN High Radar (PCR)
Display Unit for Vehicle Harness
21
Rear Module
12
CAN Low Radar (PCR)
Display Unit for Vehicle Harness
22
Rear Module
13
n.c.
Display Unit for Vehicle Harness
Rear Module
14
GigEthernet_TR3_N (PEC)
Display Unit for Vehicle Harness
1
Rear Module
15
GigEthernet Screen
Display Unit for Vehicle Harness
Rear Module
16
n.c.
Display Unit for Vehicle Harness
Rear Module
17
CAN Screen
Display Unit for Vehicle Harness
n/c
Rear Module
18
GND
Display Unit for Vehicle Harness
Rear Module
19
+12 V Ubat (opt. to display)
Display Unit for Vehicle Harness
13 (opt. if KL30 not connected)
Rear Module
20
GND
Display Unit for Vehicle Harness
n/a - Connect to VSP
Rear Module
21
GND (opt. to display)
Display Unit for Vehicle Harness
15 (opt. if KL31 not connected)
Rear Module
22
GND (opt. to display)
Display Unit for Vehicle Harness
15 (opt. if KL31 not connected)
.
Display
Rear Module
Spare Parts of the Rear Module

Further Information

Display Unit
Display Unit
CAN
1x private CAN for radar,
1x CAN
Display Unit
Ethernet
1x private 1GBase-T Ethernet for camera,
1x 100Base-T Ethernet
Display Unit
Time sync synchronization Ethernet
1
Display Unit
Rear Module
Display Unit
CAN
1x private CAN for radar
Display Unit
Ethernet
1x private 1GBase-T Ethernet for camera
The rear unit must be mounted 90° to the vehicles vertical and horizontal axis and within ± 200 mm of the vehicle lateral centerline.
The rear unit must be mounted 90° to the vehicles vertical and horizontal axis and within ± 200 mm of the vehicle lateral centerline.
Mounting distance of radar over ground: 300 to 1,000 mm
The rear unit must be mounted 90° to the vehicles vertical and horizontal axis and within ± 200 mm of the vehicle lateral centerline.
To achieve the expected performance from the radar sensor, it must have a clear and unobstructed view. There should be no material over the radar sensor and the sensor should be allowed a clear 180 degree field of view.
The rear unit must be mounted 90° to the vehicles vertical and horizontal axis and within ± 200 mm of the vehicle lateral centerline.
Consider the maximum vibration limits for the mounting position of the rear module. The system is approved referred to vibration profile 1, see Downloads or www.bosch-motorsport.com.
The rear unit must be mounted 90° to the vehicles vertical and horizontal axis and within ± 200 mm of the vehicle lateral centerline.
Check the radar sensor for travel inside the radar bracket. In this case, remove the radar sensor and check the locking pins at both sides of the sensor. Due to vibrations, these pins can be deformed. Exceeding travel of the sensor can damage the electric contacts.
The rear unit must be mounted 90° to the vehicles vertical and horizontal axis and within ± 200 mm of the vehicle lateral centerline.
The system needs yaw rate and vehicle speed information.
The rear unit must be mounted 90° to the vehicles vertical and horizontal axis and within ± 200 mm of the vehicle lateral centerline.
Cat 6 A standard for Gigabit Ethernet.
The rear unit must be mounted 90° to the vehicles vertical and horizontal axis and within ± 200 mm of the vehicle lateral centerline.
This product may contain open source software. Information about license terms and other obligations is given in the manual.
The rear unit must be mounted 90° to the vehicles vertical and horizontal axis and within ± 200 mm of the vehicle lateral centerline.
For the private CAN network between display and rear module, no termination resistor is needed in the wiring harness. There are pre-installed termination resistors in the radar sensor and the display.
Safety Notes
Safety Notes
It is not permitted to use the system as mirror replacement.

Legal

The CAS-M 3 radar sensor is based on the Bosch Engineering MRRe14HBW radar sensor. The MRRe14HBW is frequency certified for the following countries:

Country
Country
Austria, Belgium, Bulgaria, Croatia, Cyprus, Czech Republic, Denmark, Estonia, Finland, France, Germany, Greece, Hungary, Ireland, Italy, Latvia, Lithuania, Luxembourg, Malta, Netherlands, Poland, Portugal, Romania, Slovakia, Slovenia, Spain, Sweden, Iceland, Liechtenstein, Norway, Switzerland
Country
USA
Country
Canada
Country
Japan
Country
Australia
Country
New Zealand
Country
United Kingdom

If the MRRe14HBW and hence the CAS-M 3 radar sensor SCU is not operated within this context, it lies within the customer’s responsibility to ensure compliance of the application with national regulations and standards, e.g., electromagnetic compatibility and radio spectrum matters.

Link to the up-to-date EU Declaration of Confirmity DoC:

http://eu-doc.bosch.com

(Please enter the model MRRe14HBW on which CAS-M sensors are based on to find the correct DoC in the database.)

Collision Avoidance System CAS-M 3 EVO
Order number: F02U.V02.648-03

Accessories

Display Unit
Order number: F02U.V02.660-03

Rear Module
Consisting of parts (A) to (E)
Order number: F02U.V02.630-02

Radar Bracket (A)
Order number: F037.D00.084-01

Radar Sensor (B)
Order number: F02U.V02.647-01

Camera (C)
Order number: F02U.V02.799-01

Wiring Harness for Radar and Camera (D)
Order number: F02U.V02.802-01

Interface Module (Housing and Electronics) (E)
Order number: F02U.V02.639-01

Inertial Measurement Unit MM7.10
Sensor with production type connector
Order number: F02U.V03.092-01

Inertial Measurement Unit MM7.10
Wire with motorsport connector
Order number: F02U.V03.092-02

Inertial Measurement Unit MM7.10
Wire with open end
Order number: F02U.V03.092-90

Generally blocked are direct and indirect business involving high risk destinations, including Russia, Belarus, Cuba, Iran, North Korea, Syria, Libya, Afghanistan, and certain non-governmental controlled Ukrainian regions. This list may change as geopolitics evolve.